HİZMET VER
Armut
Elektrik Otomasyon
İstanbul
Esenyurt
Abdulrahman Idelbi
Elektrik Otomasyon
·
8 aydır üye
İstanbul
Esenyurt
BAŞLA
Müşterilerinin Yorumları
Yorumları görmek için teklif alın.
Güvenlik Kontrolleri
Geçerli Cep Telefonu
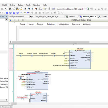
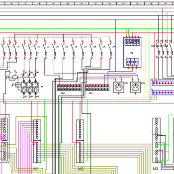
Ben Abdulrahman Idlibi, otomasyon mühendisi olarak PLC programlama, HMI tasarımı ve endüstriyel elektrik panolarının tasarımı ve uygulaması konularında uzmanım. Farklı marka ve modellerdeki tüm PLC sistemlerinin programlanmasında deneyim sahibiyim. Ayrıca üretim hatları ve makineler için özelleştirilmiş kontrol sistemleri geliştiriyor ve uyguluyorum.
X
Müsait Hizmet Verenlerden 4 Elektrik Otomasyon Fiyat Teklifi Al, Karşılaştır.
956 Elektrik Otomasyon Firması hizmet vermeye hazır.
BAŞLA
Teklif al >
4 Elektrik Otomasyon Fiyat Teklifi Al