HİZMET VER
Armut
Makina Otomasyon
İstanbul
Esenyurt
Abdulrahman Idelbi
Makina Otomasyon
·
9 aydır üye
İstanbul
Esenyurt
BAŞLA
Müşterilerinin Yorumları
Yorumları görmek için teklif alın.
Güvenlik Kontrolleri
Geçerli Cep Telefonu
Geçerli Email Address
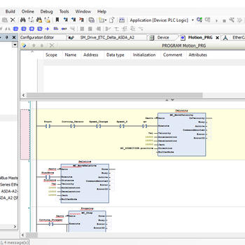
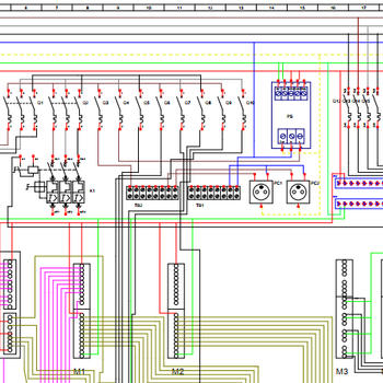
Ben Abdulrahman Idlibi, otomasyon mühendisi olarak PLC programlama, HMI tasarımı ve endüstriyel elektrik panolarının tasarımı ve uygulaması konularında uzmanım. Farklı marka ve modellerdeki tüm PLC sistemlerinin programlanmasında deneyim sahibiyim. Ayrıca üretim hatları ve makineler için özelleştirilmiş kontrol sistemleri geliştiriyor ve uyguluyorum.
X
Müsait Hizmet Verenlerden 4 Makina Otomasyon Fiyat Teklifi Al, Karşılaştır.
1516 Makina Otomasyon Firması hizmet vermeye hazır.
BAŞLA
Teklif al >
4 Makina Otomasyon Fiyat Teklifi Al