HİZMET VER
Armut
PLC Programlama
İstanbul
Esenyurt
Abdulrahman Idelbi
PLC Programlama
·
9 aydır üye
İstanbul
Esenyurt
BAŞLA
Müşterilerinin Yorumları
Yorumları görmek için teklif alın.
Güvenlik Kontrolleri
Geçerli Cep Telefonu
Geçerli Email Address
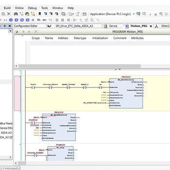
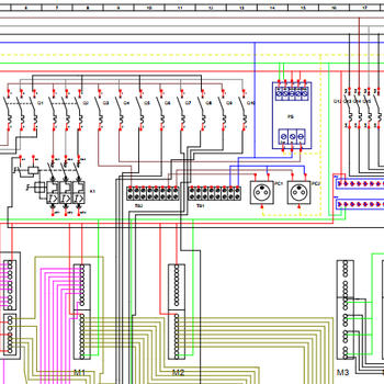
Ben Abdulrahman Idlibi, otomasyon mühendisi olarak PLC programlama, HMI tasarımı ve endüstriyel elektrik panolarının tasarımı ve uygulaması konularında uzmanım. Farklı marka ve modellerdeki tüm PLC sistemlerinin programlanmasında deneyim sahibiyim. Ayrıca üretim hatları ve makineler için özelleştirilmiş kontrol sistemleri geliştiriyor ve uyguluyorum.
X
Müsait Hizmet Verenlerden 4 PLC Programlama Fiyat Teklifi Al, Karşılaştır.
1879 PLC Programcısı hizmet vermeye hazır.
BAŞLA
Teklif al >
4 PLC Programlama Fiyat Teklifi Al