HİZMET VER
Armut
Teknik Resim Çizimi
Konya
Selçuklu
Abdurrahman Gürbüz
Teknik Resim Çizimi
·
2 yıldır üye
Konya
Selçuklu
BAŞLA
Müşterilerinin Yorumları
Yorumları görmek için teklif alın.
Güvenlik Kontrolleri
Geçerli Cep Telefonu
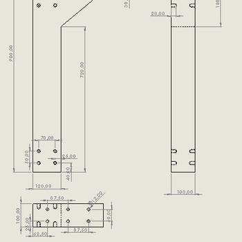
Solidworkste katı modelleme, saç metal tasarımı, teknik resim oluşturma, montajlama işleri, tasarım ile alakalı üniversite ödevleri yapılır.
X
Müsait Hizmet Verenlerden 4 Teknik Resim Çizimi Fiyat Teklifi Al, Karşılaştır.
1869 Teknik Ressam hizmet vermeye hazır.
BAŞLA
Teklif al >
4 Teknik Resim Çizimi Fiyat Teklifi Al