HİZMET VER
Armut
Makine Mühendisi
Kayseri
Melikgazi
Ahmet Boz
Makine Mühendisi
·
10 aydır üye
Kayseri
Melikgazi
BAŞLA
Müşterilerinin Yorumları
Yorumları görmek için teklif alın.
Güvenlik Kontrolleri
Geçerli Cep Telefonu
Geçerli Email Address
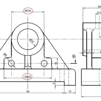
Merhaba! Ben mekatronik mühendisiyim ve uzun süredir SolidWorks ve AutoCAD programlarında profesyonel düzeyde 2D teknik çizimler ve 3D modelleme hizmetleri sunuyorum. Endüstriyel tasarımdan makine parçalarına, sac metal işlerinden montajlı ürün tasarımlarına kadar geniş bir yelpazede çözüm odaklı çizimler yapıyorum. Solidworks ile: • 3D parça ve montaj modellemeleri • Teknik resim ve imalat çizimleri • Sac metal, kaynaklı yapı ve yüzey modelleme • Gerçekçi render ve patlatılmış montaj görselleri AutoCAD ile: • Hassas 2D teknik çizimler • DXF/DWG formatında lazer kesim ve CNC dosyaları • Mekanik projelendirme Tasarım sürecinizin her aşamasında yanınızdayım. Projenizi fikirden üretime taşıyacak güvenilir ve kaliteli bir çizim desteğine ihtiyacınız varsa, birlikte çalışmaktan memnuniyet duyarım.
X
Müsait Hizmet Verenlerden 4 Makine Mühendisi Fiyat Teklifi Al, Karşılaştır.
989 Makine Mühendisi hizmet vermeye hazır.
BAŞLA
Teklif al >
4 Makine Mühendisi Fiyat Teklifi Al