HİZMET VER
Armut
AutoCAD Çizim
Hatay
İskenderun
Ali Yıldız
AutoCAD Çizim
·
3 yıldır üye
Hatay
İskenderun
BAŞLA
Müşterilerinin Yorumları
Yorumları görmek için teklif alın.
Güvenlik Kontrolleri
Geçerli Cep Telefonu
Kuruluş / İşe Başlama Yılı
2016
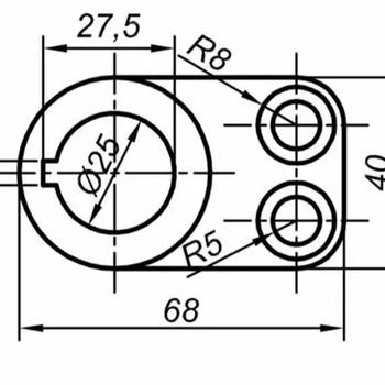
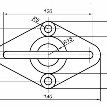
AutoCad Ve Solidworks Kullanarak 2 Boyutlu Teknik Resimlerinizi Sizin İçin DXF Türü Dosya Biçimlerinde Sunabilirim. Cnc Router, Lazer ve Plazma Gibi Sac ve Ahşap İşleme Makineleriniz de Kullanabilmeniz İçin Çizimlerinizi Hazır Hale Getirebilirim. Ayrıca Makineniz İçin Gerekli Teknik Desteği Sizlere Sağlayabilirim.
X
Müsait Hizmet Verenlerden 4 AutoCAD Çizim Fiyat Teklifi Al, Karşılaştır.
1614 AutoCAD Çizim Uzmanı hizmet vermeye hazır.
BAŞLA
Teklif al >
4 AutoCAD Çizim Fiyat Teklifi Al