HİZMET VER
Armut
Güç Artırım Projesi
Bursa
Nilüfer
Müfit Akyüz
Güç Artırım Projesi
·
1 yıldır üye
Bursa
Nilüfer
BAŞLA
Müşterilerinin Yorumları
Yorumları görmek için teklif alın.
Güvenlik Kontrolleri
Geçerli Cep Telefonu
Geçerli Email Address
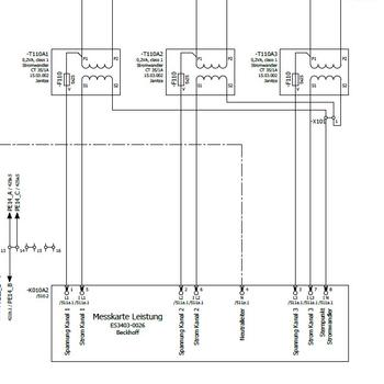
Imte, elektrik projeleri alanında uzmanlaşmış bir firma olarak, kaliteli ve güvenilir çizim hizmetleri sunmaktadır. Elektrik tesisat projelerinden, aydınlatma sistemlerine, güç dağıtım çizimlerinden otomasyon sistemlerine kadar geniş bir yelpazede, uluslararası standartlara uygun çözümler geliştirmekteyiz. Deneyimli mühendis kadromuz, her projede müşteri ihtiyaçlarını dikkate alarak, detaylı ve anlaşılır çizimler yapmaktadır. Amacımız, projelerinizi zamanında ve bütçeniz dâhilinde hayata geçirmenize yardımcı olmaktır. Güvenilir, hızlı ve profesyonel bir hizmet için sizleri bekliyoruz.
X
Müsait Hizmet Verenlerden 4 Güç Artırım Projesi Fiyat Teklifi Al, Karşılaştır.
1127 Güç Artırım Projesi Firması hizmet vermeye hazır.
BAŞLA
Teklif al >
4 Güç Artırım Projesi Fiyat Teklifi Al