HİZMET VER
Armut
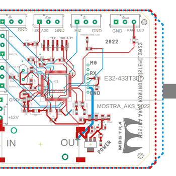
Arduino Devre Tasarımı
İstanbul
Kadıköy
Muhammed Eyüb Can
Arduino Devre Tasarımı
·
2 yıldır üye
İstanbul
Kadıköy
BAŞLA
Müşterilerinin Yorumları
Yorumları görmek için teklif alın.
Güvenlik Kontrolleri
Geçerli Cep Telefonu
Merhaba! Ben Muhammed Eyüb Can. Elektrik ve Elektronik Mühendisi olarak Armut freelance çalışma platformunda aktif bir şekilde çalışan bir uzmanım. Beş yıldır mesleğimde birçok deneyime sahibim. Birçok yarışma ve projelere katıldım. Bunlar ; [500W / 84V DC Switch Mode Power Supply üretimi] [Çizgi izleyen robot yarışması] [Tübitak 15. Elektrikli Araçlar Yarışları (Teknofest)] [72V DC batarya paketini kontrol eden stm32 mikrodenetleyicili batarya yönetim sistemi üretimi] [Batarya paketi tasarlanması ve imalatı] [Araç kontrol sistemi tasarımı ve yazılımı] [Telemetri sistemi tasarımı] [Tam izolasyonlu elektrikli araç şarj sistemi (Bitirme Tezi)] [Analog entegreli pasif batarya yönetim sistemi ] [Tübitak 16.Elektrikli Araçlar Yarışları (Teknofest)] [Nextion editör ile özel ekran tasarımı][Tam izolasyonlu yumuşak anahtarlamalı yarım köprü SMPS.]Bu süre zarfında tamamladığım bazı başarı öykülerinden birkaçı şunlar: [Tech-ohm @tech-ohm instagram adresimi kullanarak burada Teknofest yarışlarına katılan Lise ve Üniversite takımlarına danışmanlık veriyorum. Danışmanlık verdiğim konular: Batarya yönetim sistemi, Araç kontrol sistemi, Şarj sistemleri, Telemetri sistemi ve Sürücü ekran tasarımları. Armut platformunda işbirliği yapmayı çok seviyorum çünkü; esnek çalışma saatleri, çeşitli projelerle çalışma fırsatları, müşteri memnuniyeti geri bildirimi hızlı ve istediğim gibi. Siz de Baskı devre tasarımı, Gömülü sistem yazılımı, Güç elektroniği, Şarj sistemleri ve bu konular hakkında danışmanlık ve destek arıyorsanız, benimle iletişime geçmekten çekinmeyin. Size bu konularda daha fazla bilgi verebilirim ve iş birliği yapmaktan heyecan duyarım. Teşekkür ederim ve umarım birlikte çalışma fırsatı bulabiliriz! Görüşmek dileğiyle :)
X
Müsait Hizmet Verenlerden 4 Arduino Devre Tasarımı Fiyat Teklifi Al, Karşılaştır.
1061 Arduino Devre Tasarımcısı hizmet vermeye hazır.
BAŞLA
Teklif al >
4 Arduino Devre Tasarımı Fiyat Teklifi Al