HİZMET VER
Armut
Otomasyon Yazılım
İstanbul
Beylikdüzü
MURAT SUNA
Otomasyon Yazılım
·
3 yıldır üye
İstanbul
Beylikdüzü
BAŞLA
Müşterilerinin Yorumları
Yorumları görmek için teklif alın.
Güvenlik Kontrolleri
Geçerli Cep Telefonu
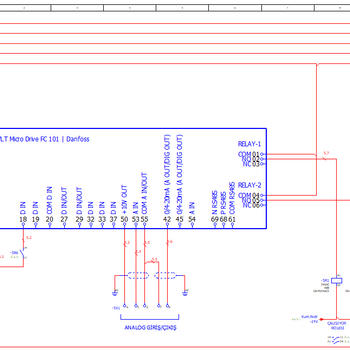
Elektrik-elektronik mühendisiyim.Elektrik panosu proje çizimi tasarımları yapıyorum.Mcc ,Kompanzasyon,Ana dağıtım ve Otomasyon pano projelerinin çizimleri yapıyorum.Şaltmalzeme seçimi ve güç hesaplamaları yaparak bir elektrik panosunun ihtiyaca göre planlamasını ve projesini çiziyorum.Projelerimi eplandan 3 hat olarak çiziyorum.
X
Müsait Hizmet Verenlerden 4 Otomasyon Yazılım Fiyat Teklifi Al, Karşılaştır.
1026 Otomasyon Yazılım Firması hizmet vermeye hazır.
BAŞLA
Teklif al >
4 Otomasyon Yazılım Fiyat Teklifi Al