HİZMET VER
Armut
Teknik Resim Çizimi
İzmir
Menemen
Nimet sağlam
Teknik Resim Çizimi
·
7 aydır üye
İzmir
Menemen
BAŞLA
Müşterilerinin Yorumları
Yorumları görmek için teklif alın.
Güvenlik Kontrolleri
Geçerli Cep Telefonu
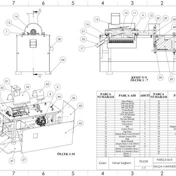
Makine mühendisiyim. SolidWorks 2023 kullanarak 3D modelleme, montaj ve teknik resim hizmeti veriyorum. Bitirme projemde endüstriyel bir domates salça makinesi, mühendislik tasarımı dersinde ise manlift sistemi tasarladım. Mekanik sistemlerin üretime uygun, işlevsel ve estetik tasarımlarını yaparım. Detaylara önem veririm, revizyon sürecinde müşteriyle sürekli iletişimde olurum.
X
Müsait Hizmet Verenlerden 4 Teknik Resim Çizimi Fiyat Teklifi Al, Karşılaştır.
1903 Teknik Ressam hizmet vermeye hazır.
BAŞLA
Teklif al >
4 Teknik Resim Çizimi Fiyat Teklifi Al