HİZMET VER
Armut
Makine Tasarımı
İstanbul
Pendik
Rıdvan Akbulut
Makine Tasarımı
·
6 yıldır üye
İstanbul
Pendik
BAŞLA
Müşterilerinin Yorumları
Yorumları görmek için teklif alın.
Güvenlik Kontrolleri
Geçerli Cep Telefonu
Geçerli Kredi kartı
Kuruluş / İşe Başlama Yılı
2012
Karabük üniversitesi makine mühendisliği mezunuyum. İmalat sektörünün içinde yaklaşık olarak 7 senedir yer almaktayım. Tasarım ve imalat bölümünde çalışmış biri olarak istediğiniz projeleri ,Solidworks programında tasarlayıp size sunabiliriz.
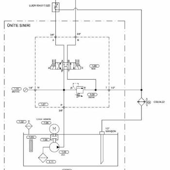
Ayrıca analiz sonucu,render,hidrolik şema gibi istekleriniz için de hizmet vermekteyiz.
X
Müsait Hizmet Verenlerden 4 Makine Tasarımı Fiyat Teklifi Al, Karşılaştır.
1469 Makine Tasarımcısı hizmet vermeye hazır.
BAŞLA
Teklif al >
4 Makine Tasarımı Fiyat Teklifi Al