HİZMET VER
Armut
Teknik Resim Çizimi
İstanbul
Bağcılar
Zumtas Design
Teknik Resim Çizimi
·
5 aydır üye
İstanbul
Bağcılar
BAŞLA
Müşterilerinin Yorumları
Yorumları görmek için teklif alın.
Güvenlik Kontrolleri
Geçerli Cep Telefonu
Kuruluş / İşe Başlama Yılı
2019
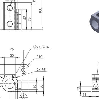
Makine mühendisiyim. Tasarım mühendisi olarak çalışmaktayım. Solidworks, AutoCad, Ansys gibi programlar kullanarak ihtiyaçlarınızı karşılamak için buradayım. Üretmek istediğiniz ürünleri imalata uygun hazırlayabilirim.
X
Müsait Hizmet Verenlerden 4 Teknik Resim Çizimi Fiyat Teklifi Al, Karşılaştır.
1874 Teknik Ressam hizmet vermeye hazır.
BAŞLA
Teklif al >
4 Teknik Resim Çizimi Fiyat Teklifi Al